Focus on suppliers of industrial location measurement products and Solutions

+86 21-39520660

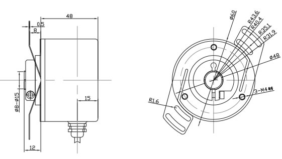
Absolute encoder EVM58-SSI

Industry applications: textile machinery, bending machinery, printing machinery, metallurgical industry, elevators

Product structure: Hollow shaft

Outer diameter (mm): 58mm

Detection type: photoelectric sampling

Output code:Gray code, binary code

Output type:RS422, Push/Pull

Interface type:SSI ; SSI + incremental track

  • Parameter
  • Size
  • General specifications Detection type:photoelectric sampling
  • Device type:Multiturn absolute encoder UL File Number:E223176 "For use in NFPA 79 Applications only" , if UL marking is marked on the product. Functional safety related parameters MTTFd:150 a Mission Time (TM):20 a L10:1.9 E+11 at 6000 rpm and 20/40 N axial/radial shaft load Diagnostic Coverage (DC):0 %
  • Electrical specifications
  • Operating voltage:4.5 ... 30 V DC (SSI, SSI + RS422) ; 10 ... 30 V DC (SSI + Push/Pull)
  • No-load supply current:max. 180 mA
  • Time delay before availability:< 250 ms
  • Linearity:± 2 LSB at 16 Bit, ± 1 LSB at 13 Bit, ± 0,5 LSB at 12 Bit
  • Output code:Gray code, binary code
  • Code course (counting direction):cw descending (clockwise rotation, code course descending)
  • Interface
  • Interface type:SSI ; SSI + incremental track
  • Monoflop time:20 ± 10 µs
  • Resolution:
  • Single turn:up to 16 Bit
  • Multiturn:14 Bit
  • Overall resolution:up to 30 Bit
  • Transfer rate:0.1 ... 2 MBit/s
  • Voltage drop:UB - 2.5 V
  • Standard conformity:RS 422
  • Input 1
  • Input type:Selection of counting direction (cw/ccw)
  • Signal voltage:
  • High:4.5 ... 30 V
  • Low:0 ... 2 V
  • Input current:< 6 mA
  • Switch-on delay:< 10 ms
  • Input 2
  • Input type:zero-set (PRESET 1)
  • Signal voltage:
  • High:4.5 ... 30 V
  • Low:0 ... 2 V
  • Input current:< 6 mA
  • Signal duration:min. 100 ms
  • Switch-on delay:< 10 ms
  • Output
  • Output type:RS422, Push/Pull
  • Signal output:A+B+/A+/B
  • Pulses:1024, 2048, 4096
  • Connection
  • Connector:type 9416 (M23), 12-pin, type 9416L (M23), 12-pin
  • Cable:∅7 mm, 6 x 2 x 0.14 mm2, 1 m
  • Standard conformity
  • Degree of protection:DIN EN 60529, IP65 (without shaft seal) ; DIN EN 60529, IP66/IP67 (with shaft seal)
  • Climatic testing:DIN EN 60068-2-3, no moisture condensation
  • Emitted interference:DIN EN 61000-6-4
  • Noise immunity:DIN EN 61000-6-2
  • Shock resistance:DIN EN 60068-2-27, 100 g, 6 ms
  • Vibration resistance:DIN EN 60068-2-6, 20 g, 10 ... 2000 Hz
盲孔型