Industry applications: textile machinery, bending machinery, printing machinery, metallurgical industry, elevators
Product structure: solid shaft
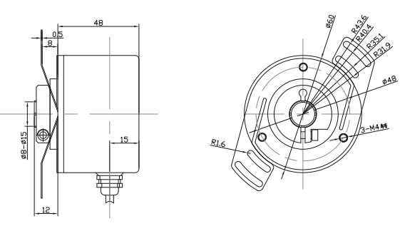
Outer diameter (mm): 58mm
Detection type: photoelectric sampling
Output code:Gray code, binary code
Working voltage: 10 ... 30 V DC
Interface type:Push-pull, parallel , short-circuit protected