Focus on suppliers of industrial location measurement products and Solutions

+86 21-39520660

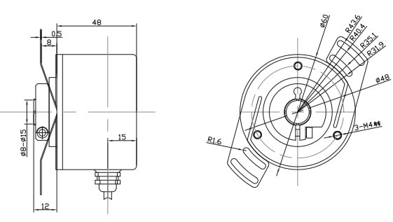
Absolute encoder ESM58-P

Industry applications: textile machinery, bending machinery, printing machinery, metallurgical industry, elevators

Product structure: solid shaft

Outer diameter (mm): 58mm

Detection type: photoelectric sampling

Output code:binary code

Working voltage: 10 ... 30 V DC

Interface type:PROFIBUS

  • Parameter
  • Size
  • General specifications
  • Detection type:photoelectric sampling
  • Device type:Multiturn absolute encoder
  • Functional safety related parameters
  • MTTFd:70 a
  • Mission Time (TM):20 a
  • L10h:1.9 E+11 at 6000 rpm and 20/40 N axial/radial shaft load
  • Diagnostic Coverage (DC):0 %
  • Electrical specifications
  • Operating voltage:10 ... 30 V DC
  • No-load supply current:max. 230 mA at 10 V DC
  • max. 100 mA at 24 V DC
  • Power consumption:max. 2.5 W
  • Time delay before availability:< 1000 ms
  • Linearity:± 2 LSB at 16 Bit, ± 1 LSB at 13 Bit, ± 0,5 LSB at 12 Bit
  • Output code:binary code
  • Code course (counting direction):programmable,
  • cw ascending (clockwise rotation, code course ascending)
  • cw descending (clockwise rotation, code course descending)
  • Interface
  • Interface type:PROFIBUS
  • Resolution:
  • Single turn:up to 16 Bit
  • Multiturn:14 Bit
  • Overall resolution:up to 30 Bit
  • Transfer rate:0.0096 ... 12 MBit/s
  • Standard conformity:PNO profile 3.062, RS-485
  • Connection
  • Terminal compartment:in removable housing cover
  • Standard conformity
  • Degree of protection:DIN EN 60529, IP65
  • IP66 (with shaft seal)
  • Climatic testing:DIN EN 60068-2-30 , no moisture condensation
  • Emitted interference:EN 61000-6-4:2007
  • Noise immunity:EN 61000-6-2:2005
  • Shock resistance:DIN EN 60068-2-27, 100 g, 6 ms
  • Vibration resistance:DIN EN 60068-2-6, 20 g, 10 ... 2000 Hz
盲孔型