专注工业位置测量产品以及解决方案的供应商

+86 21-39520660

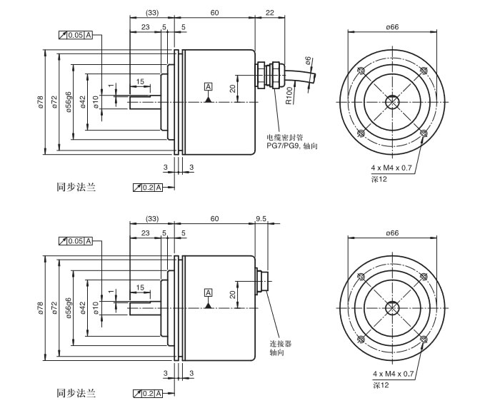
增量型编码器 AL78

行业应用:纺织机械、折弯机械、印刷机械、冶金行业、电梯

产品结构:实心轴

外径(mm):78mm

孔径/轴径(mm):

分辨率(CPR):1-5000 PPR

工作电压:10 ... 30 V DC

输出电路:10-30V; 短路保护; 推挽输出

  • 技术参数
  • 安装尺寸

一般特性

  • 脉冲数:最大 5000

电气特性

  • 工作电压:10 ... 30 V DC
  • 空载电流:最大 80 mA

输出

  • 输出类型:推挽
  • 电压降:< 4 V
  • 工作电流:单通道最大 40 mA ,短路保护,反极性保护
  • 输出频率:最大 100 kHz
  • 上升时间:250 ns
  • 接通延时:250 ns

连接

  • 连接器:连接器 42306, 6针
  • 电缆:∅6 mm, 5 x 0.38 mm2, 2 m

符合标准

  • 防护等级:DIN EN 60529, IP65
  • 辐射干扰:EN 61000-6-4:2007/A1:2011
  • 抗干扰:EN 61000-6-2:2005
  • 抗冲击:DIN EN 60068-2-27, 100 g, 3 ms
  • 抗振动:DIN EN 60068-2-6, 10 g, 10 ... 2000 Hz

周围环境

  • 工作温度:
  • 玻璃码盘:-20 ... 70 °C (-4 ... 158 °F)
  • 塑料码盘:-20 ... 60 °C (-4 ... 140 °F)
  • 储存温度:
  • 玻璃码盘:-40 ... 70 °C (-40 ... 158 °F)
  • 塑料码盘:-40 ... 60 °C (-40 ... 140 °F)

机械特性

  • 外壳:铝粉涂层
  • 法兰:铝
  • 轴:不锈钢 1.4305/AISI 303
  • 重量:大约 630 g
  • 旋转速度:最大 6000 min -1
  • 瞬时惯量:100 gcm2
  • 起动转矩:≤ 1,5 Ncm
  • 轴向:50 N
  • 径向:100 N