专注工业位置测量产品以及解决方案的供应商

+86 21-39520660

AMV58 多圈绝对值编码器

行业应用:纺织机械、折弯机械、印刷机械、冶金行业、电梯

产品结构:实心轴

外径(mm):58mm

输出信号:SSI信号,格雷码或二进制

最大圈数:25位

工作电压:10-30Vdc 或5Vdc 极性保护

防护等级:IP68;断电记忆,100%抗磁场干扰性

  • 技术参数
  • 安装尺寸

工作电压:10-30Vdc极性保护(或5Vdc 定购)

消耗电流:35mA(24Vdc) ,70mA(12Vdc)

输出信号:SSI同步串行信号 格雷码/纯二进制可选

信号传输:两对RS422,100米(125KHz并推荐专用电缆,更远距离请咨询厂家)

分辨率/圈:4096(加一位效验位可选)

最大圈数:4096

重复精度:±2BIT(实际精度与安装精度、轴同心度有关)

时钟速度:50KHz --500KHz,推荐使用125KHz,时钟频率过快将影响信号传输距离

工作温度:-40--80℃

储存温度:-40--100℃

防护等级:IP65;IP68/可选

允许转速:3000转/分

停电保存:在4096圈内全程绝对,停电不影响位置保存

连接电缆: 1米屏蔽电缆径向侧出,其余长度可订货;或插座后出

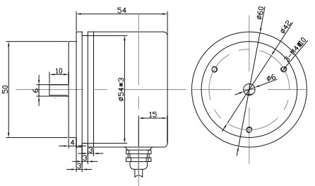
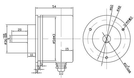
外形特征: 夹紧法兰或同步法兰,盲孔轴套法兰,金属外壳,密封双轴承结构 (见外形尺寸附图;特殊外形可订做)

夹紧法兰

夹紧法兰

夹紧同步法兰

夹紧同步法兰

同步(伺服)法兰

同步(伺服)法兰