专注工业位置测量产品以及解决方案的供应商

+86 21-39520660

超声波传感器 DBC4-1000-M18-12-V5

产品类型:超声波传感器

检测距离(mm):15-1000mm

换能器频率:255KHz

标准目标板:100 mm x 100 mm

工作电压:10 ... 30 V DC ,纹波 10%SS

输出信号:PNP;常开

防护等级:IP67

  • 技术参数
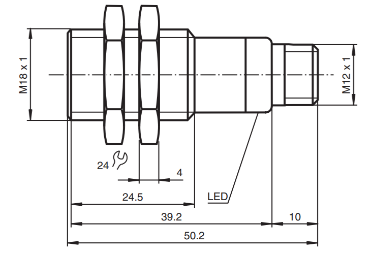
  • 安装尺寸
  • 感应范围:15 ... 1000 mm
  • 标准目标板:100 mm x 100 mm
  • 换能器频率:大约 255 kHz
  • 指示灯/操作键
  • 绿色 LED:上电
  • 黄色 LED:开关状态
  • 红色 LED:出错,未检测到目标物
  • 电气特性
  • 工作电压:10 ... 30 V DC ,纹波 10%SS
  • 空载电流:≤ 20 mA
  • 输入
  • 输入类型:1个TEACH_IN输入
  • 自由空气路径: -UB ... +1 V, 目标物: +6 V ... +UB
  • 输出
  • 输出类型:PNP,常开
  • 额定工作电流:200 mA ,短路/过载保护
  • 电压降:≤ 3 V
  • 接通延时:< 5 ms
  • 开关频率:≤ 100 Hz
  • 尺寸:Φ18mm*40mm
  • 许可和认证
  • UL认证:cULus Listed,一般要求
  • CSA 认证:cCSAus Listed, 一般目的
  • CCC 认证:最大工作电压为 36 伏的产品,无需经过许可认证,且因此无须配备CCC-标识。
  • 周围环境
  • 环境温度:-25 ... 70 °C (-13 ... 158 °F)
  • 储存温度:-40 ... 85 °C (-40 ... 185 °F)
  • 机械特性
  • 连接类型:连接器 M12 x 1 , 4 针
  • 防护等级:IP67
  • 材料:
  • 外壳:黄铜镀镍
  • 换能器:环氧树脂/空心玻璃球混合物;聚氨基甲酸脂泡沫体,外壳PBT
  • 重量:25 g
尺寸图

尺寸图

连接图

连接图